Trong bối cảnh nhu cầu quản lý nước ngày càng hiện đại và chính xác, đồng hồ nước siêu âm đang trở thành giải pháp hàng đầu cho cả sinh hoạt và công nghiệp. Một trong những sản phẩm nổi bật chính là Đồng hồ nước siêu âm SES KOMAX, với nhiều ưu điểm vượt trội về độ chính xác, độ bền và khả năng ứng dụng đa dạng.
Đồng hồ nước siêu âm SES KOMAX – Bước tiến mới cho quản lý nước thông minh!
1. Đồng hồ nước siêu âm là gì?
Đồng hồ nước siêu âm là thiết bị đo lưu lượng nước dựa trên nguyên lý truyền sóng siêu âm. Thay vì sử dụng bộ phận cơ học như cánh quạt, đồng hồ này dùng sóng siêu âm để đo tốc độ dòng chảy, từ đó tính toán chính xác lưu lượng nước đi qua.
✅ Ưu điểm so với đồng hồ cơ truyền thống:
Không có bộ phận chuyển động → giảm hao mòn, tăng tuổi thọ.
Độ chính xác cao, đặc biệt với lưu lượng nhỏ.
Có khả năng kết nối dữ liệu thông minh (AMR/AMI).
Giảm thất thoát nước, hỗ trợ quản lý nước hiện đại.

Đồng hồ nước siêu âm SES KOMAX SC-7-S Series DN125 – DN300 là dòng sản phẩm cao cấp ứng dụng công nghệ siêu âm hiện đại, cho phép đo lưu lượng nước với độ chính xác vượt trội, độ bền cao và khả năng hoạt động ổn định trong môi trường công nghiệp I minhhoathanh.vn
2. Thương hiệu đồng hồ nước siêu âm SES KOMAX
SES KOMAX là thương hiệu đồng hồ đo lưu lượng đến từ Weihai Ploumeter Co.,Ltd – nhà sản xuất thiết bị đo lưu lượng uy tín, đạt chuẩn CE, MID, ISO.
Được nhiều quốc gia tin dùng trong các hệ thống cấp thoát nước, công trình công nghiệp.
Sản phẩm được thiết kế bền bỉ, chịu áp lực và nhiệt độ cao.
Đặc biệt, SES KOMAX chú trọng phát triển công nghệ đo lưu lượng siêu âm thế hệ mới – đảm bảo sự ổn định và chính xác trong mọi điều kiện.
3. Đặc điểm nổi bật của Đồng hồ nước siêu âm SES KOMAX
Đồng hồ nước siêu âm SES KOMAX được đánh giá là một trong những giải pháp hiện đại và bền bỉ nhất hiện nay nhờ những đặc điểm vượt trội:
Công nghệ siêu âm hiện đại
Sử dụng nguyên lý đo bằng sóng siêu âm thay cho cánh quạt cơ học, đồng hồ cho phép đo lưu lượng chính xác ngay cả khi dòng chảy có lưu lượng rất thấp. Đặc biệt, công nghệ này không bị ảnh hưởng bởi tạp chất, cặn bẩn hay rỉ sét trong đường ống, giúp duy trì hiệu quả đo ổn định lâu dài.
Vật liệu thân inox 304 bền bỉ
Phần thân được chế tạo từ thép không gỉ 304, có khả năng chống ăn mòn và chống oxy hóa mạnh mẽ, đảm bảo độ bền trong môi trường khắc nghiệt như hệ thống xử lý nước thải, cấp nước công nghiệp hay ngoài trời.
Màn hình LCD thông minh
Được trang bị màn hình LCD hiển thị sắc nét, đồng hồ SES KOMAX cung cấp thông tin trực quan về:
Lưu lượng tức thời
Tổng lưu lượng tích lũy
Cảnh báo lỗi hệ thống
Điều này giúp người vận hành dễ dàng theo dõi và quản lý hoạt động cấp nước một cách chính xác và nhanh chóng.
Khả năng kết nối linh hoạt
Đồng hồ hỗ trợ nhiều giao thức truyền thông hiện đại như RS485, M-Bus, LoRa, NB-IoT, cho phép kết nối trực tiếp vào hệ thống quản lý từ xa. Điều này đặc biệt hữu ích với các doanh nghiệp triển khai mô hình Smart Water – Quản lý nước thông minh.
Tiêu chuẩn bảo vệ IP68
Thiết kế đạt chuẩn IP68, đồng hồ có thể hoạt động ổn định trong môi trường ngập nước hoặc ngoài trời nhiều năm liền, không lo ảnh hưởng bởi mưa, bụi bẩn hay độ ẩm cao.
Đa dạng kích cỡ – Tương thích hệ thống DN125 – DN300
Sản phẩm có nhiều tùy chọn kích cỡ, dễ dàng tích hợp với các hệ thống đường ống hiện hữu mà không cần thay đổi nhiều hạ tầng. Đây là ưu điểm lớn giúp tiết kiệm chi phí lắp đặt cho doanh nghiệp.

Đồng hồ nước siêu âm SES KOMAX không chỉ mang lại độ chính xác cao mà còn đảm bảo sự bền bỉ, thông minh và dễ dàng tích hợp, trở thành giải pháp hàng đầu cho cấp nước đô thị, công nghiệp và xử lý nước thải I minhhoathanh.vn
Với những đặc điểm trên, đồng hồ nước siêu âm SES KOMAX không chỉ mang lại độ chính xác cao mà còn đảm bảo sự bền bỉ, thông minh và dễ dàng tích hợp, trở thành giải pháp hàng đầu cho cấp nước đô thị, công nghiệp và xử lý nước thải hiện đại.
4. Thông số sản phẩm (tham khảo dòng SES KOMAX SC7)
Kiểu: Đồng hồ nước siêu âm hai chiều
Cỡ DN: DN50 – DN300
Lưu lượng danh định Q3: 40 m³/h (tùy model)
Cấp chính xác: R250 / R400
Áp lực làm việc: PN16 / PN25
Chuẩn giao tiếp: RS-485, M-Bus, LoRa, NB-IoT (tùy chọn)
Nhiệt độ làm việc: 0.1°C – 50°C (nước lạnh) hoặc lên đến 90°C (nước nóng)
Thời gian sử dụng pin: 10 năm

Thông số sản phẩm (tham khảo dòng SES KOMAX SC7) I minhhoathanh.vn
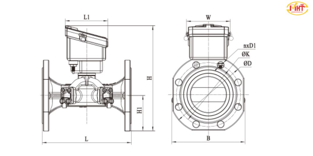
5. Cấu tạo sản phẩm
Một đồng hồ nước siêu âm SES KOMAX cơ bản gồm:
Thân đồng hồ: gang hoặc thép phủ epoxy chống ăn mòn.
Cảm biến siêu âm: truyền và nhận sóng siêu âm.
Bộ xử lý tín hiệu: tính toán lưu lượng chính xác.
Màn hình LCD: hiển thị lưu lượng, tổng lưu lượng, tình trạng pin.
Module truyền dữ liệu (tùy chọn): kết nối IoT, AMR/AMI.
Với cấu tạo hiện đại và thông minh, đồng hồ nước siêu âm SES KOMAX được xem là bước tiến mới trong quản lý nước hiện đại, vượt xa so với đồng hồ cơ học truyền thống, là sản phẩm Hỗ trợ quản lý nước thông minh, lưu trữ & phân tích dữ liệu

Cấu tạo sản phẩm đồng hồ nước siêu âm SES KOMAX được xem là bước tiến mới trong quản lý nước hiện đại I minhhoathanh.vn
6. Ứng dụng cho doanh nghiệp
Đồng hồ nước siêu âm SES KOMAX được ứng dụng rộng rãi trong:
Khu công nghiệp & nhà máy: quản lý nước cấp, nước thải chính xác.
Công ty cấp nước đô thị: giảm thất thoát, nâng cao hiệu quả vận hành.
Toà nhà thương mại, khu dân cư: quản lý nước thông minh, tự động ghi chỉ số.
Hệ thống xử lý nước thải: đảm bảo kiểm soát dòng chảy đầu ra.
7. Liên hệ với Minh Hoà Thành
Là nhà phân phối thiết bị ngành nước hàng đầu tại Việt Nam, Minh Hoà Thành cung cấp đa dạng các mẫu đồng hồ đo lưu lượng siêu âm chính hãng, trong đó có:
Đồng hồ nước siêu âm SES KOMAX
Đồng hồ nước nóng Sensus AN130 K1
Đồng hồ đo lưu lượng điện từ Krohne, Siemens…

Ngoài dòng đồng hồ siêu âm hiện đại này, Minh Hoà Thành còn phân phối nhiều sản phẩm uy tín khác như: đồng hồ đo lưu lượng điện từ, đồng hồ nước SES KOMAX, van công nghiệp và các thiết bị phụ trợ – tất cả đều được lựa chọn từ những thương hiệu hàng đầu, đảm bảo chất lượng – chính hãng – giá tốt.
Nếu doanh nghiệp của bạn đang tìm kiếm giải pháp đo lường lưu lượng chính xác, bền bỉ và hiện đại, hãy liên hệ ngay Minh Hoà Thành để được tư vấn chi tiết và nhận báo giá tốt nhất!
Liên hệ ngay Minh Hoà Thành - Hotline 098 266 63 52 để được tư vấn ngay!